Superconducting Resonator Tone-Tracking Algorithm

For nearly a decade, sub-mm deep-space detection has been hampered by a critical dynamic range limitation in Microwave Kinetic Inductance Detector (MKID) readout technology. MKIDs are a cutting-edge superconducting technology used for extragalactic detection which must be cooled to just above absolute zero in order to engage their detection state. MKIDs in this superconducting state act as LC circuits (resonators) with a defined resonant frequency which modulates depending on incident power. This process makes MKIDs a nearly unmatched detection technology for deep-space detections since they can be sensitive enough to measure a single photon from distant stars or planets.

However, a major obstacle in the readout process of MKIDs has restricted them from being used in flagship and top-tier NASA missions. When these detectors are hit with strong signals, their resonant frequencies shift wildly, causing the signal to disappear into amplifier noise. The standard fix was a clumsy, mission-halting recalibration sweep that wasted precious observation time.

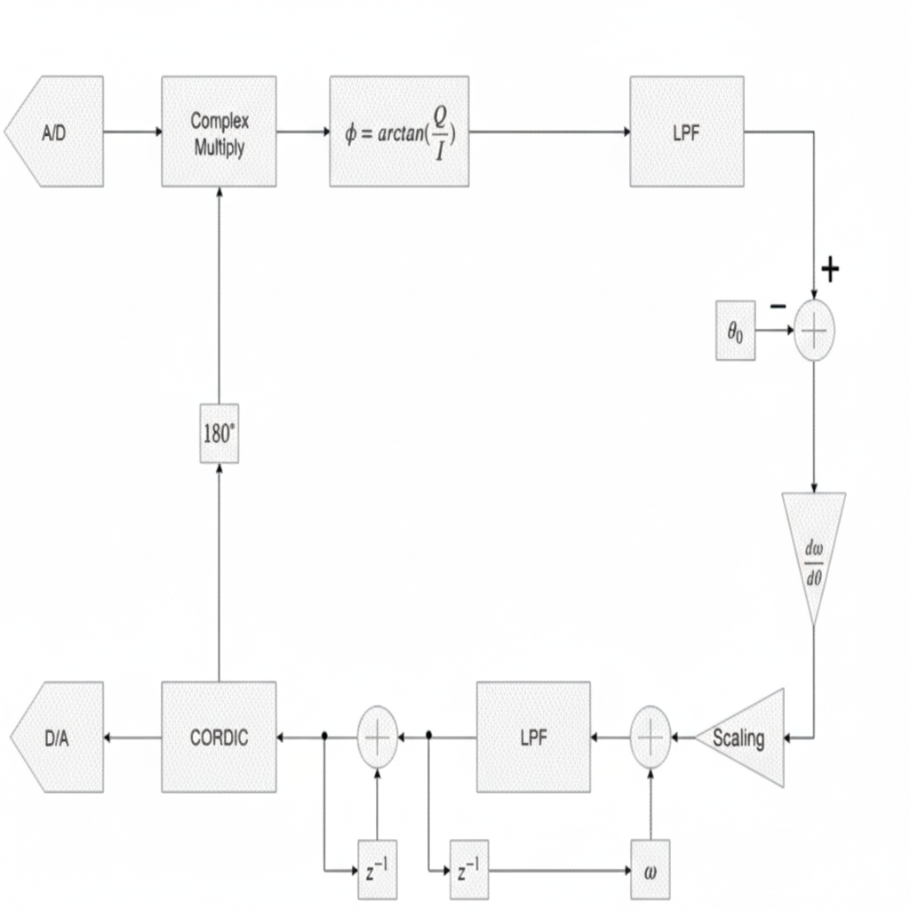
To eliminate this downtime, I designed a closed-loop digital control system capable of locking onto and tracking the shifting resonance of a detector in real-time. I identified a key physical invariant—the zero phase shift at resonance—and built a custom algorithm combining a Phase-Locked Loop (PLL) with a Proportional-Integral (PI) controller to autonomously steer the readout tone.

Implementing this required translating the mathematical model into high-speed FPGA firmware. I architected a parallelized processing pipeline in Simulink and System Generator, utilizing efficient CORDIC wave generation to minimize memory usage while maintaining sub-kilohertz frequency resolution. I verified the design through rigorous "digital resonator" simulations, proving the system could recover a lost signal in milliseconds even in the presence of heavy noise.

This project demonstrates my ability to diagnose a systemic hardware limitation and engineer a "set it and forget it" firmware solution, turning a fragile laboratory instrument into a robust tool ready for the rigors of autonomous spaceflight.

Previous
Previous

Next-Generation CMOS SoC Spectrometer Design

Next
Next

Developments for Integrated Schottky Receivers in the Terahertz Regime